Каркасный дом из деревянных двутавровых балок GreenLum
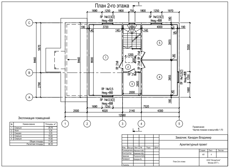
| Адрес: | Московская область, Волоколамский район, с.Спас |
| Общая площадь: | 197 м2 |
| Этажность: | 2 |
| Количество комнат: | 4 |
| Тип: | Каркасный дом |
| Габариты: | 8.46х12.96 |
| Год: | 2017 |
Двутавровые балки GreenLum
| Адрес: | Московская область, Волоколамский район, с.Спас |
| Общая площадь: | 197 м2 |
| Этажность: | 2 |
| Количество комнат: | 4 |
| Тип: | Каркасный дом |
| Габариты: | 8.46х12.96 |
| Год: | 2017 |